
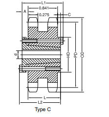
40B-2 Double Sprockets With Split Taper Bushing
Product Item:HXPT-109
Model:40B-2 Double Sprockets With Split Taper Bushing
Material: C45, stainless steel, etc.
Surface treatment:Teeth hardened, Black oxide, Zinc plated, Electrophoresis etc
Package:Standard export case, individual package (neutral or colorbox) available.



-external-gear.1600.1.jpg)



